4.1丸棒試験片実験結果
本文第3章3.2、表3.2.1に示した試験片を使用し、4点曲げ試験機で実験した結果を表とグラフに表したものが下記の表4.1.1〜4.1.15、 図4.1.1〜4.1.7である。
グラフ中の数字は、試験片の番号である。また、表中の×は、浴内で破断した試験片、き裂が発生した試験片を表す。
表 4.1.1 負荷速度の影響 A1 SCM435 1000MPa 40mm/min
|
試験片 番号 |
最大荷重 N |
最終荷重 N |
最大たわみ mm |
最終たわみ mm |
浴内 破断 |
亀裂の有無 |
||
|
A1-13 |
104 |
104 |
5.1 |
5.1 |
○ |
○ |
||
|
A1-14 |
212 |
212 |
10.6 |
10.6 |
○ |
○ |
||
|
A1-15 |
247 |
247 |
15.8 |
16.6 |
○ |
○ |
||
|
A1-16 |
269 |
269 |
20.4 |
20.4 |
○ |
○ |
||
|
A1-17 |
273 |
267 |
23.5 |
26.3 |
○ |
○ |
||
|
A1-18 |
273 |
257 |
23 |
31 |
○ |
○ |
||
|
A1-19 |
267 |
242 |
23 |
35.5 |
○ |
× |
||
|
A1-20 |
271 |
228 |
23.8 |
37.8 |
× |
× |
||
|
A1-21 |
277 |
229 |
24.6 |
39.8 |
× |
× |
||
|
A1-22 |
273 |
243 |
24.8 |
35.3 |
○ |
× |
||
|
A1-23 |
143 |
143 |
6.9 |
6.9 |
○ |
○ |
||
|
A1-24 |
279 |
269 |
23.3 |
32.1 |
○ |
○ |
||
|
A1-25 |
220 |
220 |
13.2 |
13.4 |
○ |
○ |
||
|
A1-26 |
255 |
255 |
17 |
17 |
○ |
○ |
||
|
A1-27 |
275 |
269 |
22.8 |
24.4 |
○ |
○ |
||
|
○ き裂無し ▲ き裂有り ● 破断 |
275 |
271 |
23.8 |
27.2 |
○ |
○ |
![]()
表 4.1.2 負荷速度の影響 A2 SCM435 1000MPa
230mm/min
|
試験片 番号 |
最大荷重 N |
最終荷重 N |
最大たわみ mm |
最終たわみ mm |
浴内 破断 |
亀裂の有無 |
|
A2-6 |
155 |
155 |
6.6 |
6.6 |
○ |
○ |
|
A2-7 |
229 |
228 |
11.7 |
11.9 |
○ |
○ |
|
A2-8 |
259 |
259 |
15 |
15.2 |
○ |
○ |
|
A2-9 |
288 |
286 |
22.8 |
26.8 |
○ |
○ |
|
A2-10 |
286 |
280 |
24 |
26.4 |
○ |
× |
|
A2-11 |
290 |
277 |
25 |
32.4 |
○ |
× |
|
A2-12 |
294 |
263 |
23 |
36 |
○ |
○ |
|
A2-13 |
292 |
212 |
25.3 |
48.3 |
○ |
× |
|
A2-14 |
298 |
247 |
27.8 |
44.4 |
× |
× |
|
A2-15 |
275 |
165 |
25 |
59 |
○ |
× |
|
A2-16 |
292 |
157 |
23.8 |
65.6 |
○ |
× |
|
A2-17 |
282 |
206 |
28.2 |
52 |
× |
× |
|
A2-18 |
263 |
263 |
17 |
17 |
○ |
○ |
|
A2-19 |
298 |
298 |
22.8 |
23.6 |
○ |
○ |
|
A2-20 |
298 |
290 |
24.4 |
27.4 |
○ |
× |
|
A2-21 |
290 |
280 |
25.7 |
29.5 |
○ |
○ |
図4.1.2 溶融亜鉛浴内での荷重−たわみ曲線 ○
き裂無し ▲ き裂有り ●
破断

表 4.1.3 ぬれ性の影響(フラックスなし)A3 SCM435 1000MPa 40mm/min
|
試験片 番号 |
最大荷重 N |
最終荷重 N |
最大たわみ mm |
最終たわみ mm |
浴内 破断 |
亀裂の有無 |
|
A3-4 |
265 |
265 |
19.3 |
20.5 |
○ |
○ |
|
A3-5 |
169 |
169 |
9.2 |
9.2 |
○ |
○ |
|
A3-6 |
286 |
280 |
23.6 |
29.4 |
○ |
× |
|
A3-7 |
275 |
255 |
24.3 |
36.1 |
× |
× |
|
A3-8 |
275 |
245 |
24.5 |
32.9 |
× |
× |
|
A3-9 |
277 |
275 |
25.8 |
30.0 |
○ |
○ |
表 4.1.4 焼戻強度の影響 A4 SCM435 700MPa 40mm/min
|
試験片 番号 |
最大荷重 N |
最終荷重 N |
最大たわみ mm |
最終たわみ mm |
浴内 破断 |
亀裂の有無 |
|
A4-9 |
96 |
96 |
5.5 |
5.5 |
○ |
○ |
|
A4-10 |
163 |
163 |
10.5 |
10.5 |
○ |
○ |
|
A4-11 |
194 |
194 |
15.2 |
15.6 |
○ |
○ |
|
A4-12 |
210 |
210 |
20.7 |
20.9 |
○ |
○ |
|
A4-13 |
212 |
204 |
22.8 |
25.2 |
○ |
○ |
|
A4-14 |
218 |
208 |
23.7 |
30.5 |
○ |
○ |
|
A4-15 |
214 |
198 |
25.9 |
35.7 |
○ |
○ |
|
A4-16 |
214 |
192 |
25.8 |
40.6 |
○ |
× |
|
A4-17 |
212 |
177 |
22.7 |
46.1 |
○ |
× |
|
A4-18 |
206 |
157 |
22.7 |
50.4 |
○ |
× |
|
A4-19 |
210 |
147 |
25.8 |
56.2 |
○ |
× |
|
A4-20 |
214 |
151 |
26.1 |
55.5 |
○ |
× |
|
A4-20’ |
208 |
122 |
26.3 |
61.3 |
○ |
× |
|
A4-21 |
208 |
137 |
25.7 |
55.7 |
○ |
× |
|
A4-22 |
212 |
157 |
27.2 |
53.0 |
○ |
× |
|
A4-23 |
214 |
178 |
27.8 |
46.5 |
○ |
× |
|
|
214 |
188 |
28.9 |
42.3 |
○ |
× |
表 4.1.5 焼戻強度の影響 A5 SCM435 1600MPa 40mm/min
|
試験片 番号 |
最大荷重 N |
最終荷重 N |
最大たわみ mm |
最終たわみ mm |
浴内 破断 |
亀裂の有無 |
|
A5-9 |
104 |
104 |
6.5 |
6.5 |
○ |
○ |
|
A5-10 |
190 |
190 |
10.7 |
10.7 |
○ |
○ |
|
A5-11 |
235 |
235 |
14.6 |
15.2 |
○ |
○ |
|
A5-12 |
263 |
263 |
21.0 |
21.0 |
○ |
○ |
|
A5-13 |
267 |
267 |
24.2 |
25.8 |
○ |
○ |
|
A5-14 |
265 |
249 |
26.4 |
30.6 |
○ |
× |
|
A5-15 |
271 |
261 |
26.4 |
31.9 |
× |
× |
|
A5-16 |
277 |
259 |
26.9 |
32.9 |
○ |
× |
|
A5-17 |
273 |
273 |
25.8 |
27.6 |
○ |
○ |
|
A5-18 |
271 |
271 |
22.4 |
22.6 |
○ |
○ |
|
A5-19 |
263 |
263 |
18.5 |
19.5 |
○ |
○ |
|
A5-20 |
204 |
204 |
12.2 |
12.2 |
○ |
○ |
|
A5-21 |
129 |
129 |
6.7 |
6.7 |
○ |
○ |
|
A5-22 |
47 |
47 |
2.7 |
2.7 |
○ |
○ |
|
A5-23 |
263 |
259 |
32.1 |
34.1 |
× |
× |
|
A5-24 |
265 |
200 |
26.2 |
42.6 |
× |
× |
図4.1.5 溶融亜鉛浴内での荷重−たわみ曲線 ○
き裂無し ▲ き裂有り ●
破断

表 4.1.6 負荷速度の影響 B1 SUP6 1600MPa
40mm/min
|
試験片 番号 |
最大荷重 N |
最終荷重 N |
最大たわみ mm |
最終たわみ mm |
浴内 破断 |
亀裂の有無 |
|
B1-16 |
247 |
143 |
26.2 |
61.2 |
○ |
○ |
|
B1-17 |
173 |
173 |
10.7 |
10.7 |
○ |
○ |
|
B1-18 |
239 |
239 |
20.5 |
20.5 |
○ |
○ |
|
B1-19 |
243 |
235 |
26.9 |
28.9 |
○ |
○ |
|
B1-20 |
239 |
202 |
24.6 |
40 |
○ |
○ |
|
B1-21 |
243 |
165 |
28.7 |
51.5 |
○ |
○ |
図4.1.6 溶融亜鉛浴内での荷重−たわみ曲線

表 4.1.7 負荷速度の影響 B1 SUP6 1600MPa
230mm/min
|
試験片 番号 |
最大荷重 N |
最終荷重 N |
最大たわみ mm |
最終たわみ mm |
浴内 破断 |
亀裂の有無 |
|
B2-9 |
110 |
110 |
6.4 |
6.4 |
○ |
○ |
|
B2-10 |
202 |
202 |
11 |
11 |
○ |
○ |
|
B2-11 |
237 |
237 |
16.3 |
16.3 |
○ |
○ |
|
B2-12 |
211 |
211 |
12 |
12 |
○ |
○ |
|
B2-13 |
277 |
277 |
22.8 |
22.8 |
○ |
○ |
|
B2-14 |
275 |
275 |
27.6 |
28.8 |
○ |
○ |
|
B2-15 |
277 |
271 |
24 |
29.8 |
○ |
○ |
|
B2-16 |
275 |
255 |
24.5 |
34.3 |
○ |
○ |
|
B2-17 |
271 |
226 |
27.4 |
41.6 |
○ |
○ |
|
B2-18 |
273 |
204 |
26.4 |
46.8 |
○ |
○ |
|
B2-19 |
275 |
192 |
27.2 |
51.6 |
○ |
○ |
|
B2-20 |
271 |
169 |
23.7 |
57.2 |
○ |
× |
|
B2-20’ |
267 |
153 |
26.6 |
61.5 |
○ |
× |
|
B2-21 |
267 |
171 |
25 |
58.2 |
○ |
○ |
|
B2-22 |
271 |
173 |
28.6 |
57.6 |
○ |
× |
|
B2-23 |
271 |
204 |
25.6 |
47.4 |
○ |
○ |
|
B2-24 |
267 |
231 |
26.3 |
41.4 |
○ |
○ |

表 4.1.8 負荷速度の影響 C1 SS41 640MPa 40mm/min
|
試験片 番号 |
最大荷重 N |
最終荷重 N |
最大たわみ mm |
最終たわみ mm |
浴内 破断 |
亀裂の有無 |
|
C1-1 |
116 |
69 |
22.6 |
61.4 |
○ |
○ |
|
C1-2 |
137 |
82 |
25.5 |
61.3 |
○ |
○ |
表 4.1.9負荷速度の影響 C1 SS41 640MPa
230mm/min
|
試験片 番号 |
最大荷重 N |
最終荷重 N |
最大たわみ mm |
最終たわみ mm |
浴内 破断 |
亀裂の有無 |
|
C2-6 |
145 |
90 |
22.7 |
62.3 |
○ |
○ |
|
C2-7 |
129 |
80 |
22.6 |
59 |
○ |
○ |
表 4.1.10 V溝試験片負荷速度 A1 SCM435 1000MPa
40mm/min
|
試験片 番号 |
最大荷重 N |
最終荷重 N |
最大たわみ mm |
最終たわみ mm |
浴内 破断 |
亀裂の有無 |
|
A1-17 |
164 |
164 |
7.2 |
7.2 |
× |
− |
|
A1-18 |
165 |
165 |
8.7 |
8.7 |
× |
− |
表 4.1.11 V溝試験片負荷速度 A2 SCM435 1000MPa
230mm/min
|
試験片 番号 |
最大荷重 N |
最終荷重 N |
最大たわみ mm |
最終たわみ mm |
浴内 破断 |
亀裂の有無 |
|
A2-17 |
178 |
178 |
7.5 |
7.5 |
× |
− |
|
A2-18 |
209 |
209 |
10.6 |
10.6 |
× |
− |
表 4.1.12 V溝試験片負荷速度 B1 SUP6 1600MPa
40mm/min
|
試験片 番号 |
最大荷重 N |
最終荷重 N |
最大たわみ mm |
最終たわみ mm |
浴内 破断 |
亀裂の有無 |
|
B1-7 |
127 |
126 |
8.3 |
8.5 |
× |
− |
|
B1-8 |
124 |
124 |
8.6 |
8.6 |
× |
− |
表 4.1.13 V溝試験片負荷速度 B2 SUP6 1600MPa
230mm/min
|
試験片 番号 |
最大荷重 N |
最終荷重 N |
最大たわみ mm |
最終たわみ mm |
浴内 破断 |
亀裂の有無 |
|
b2-18 |
137 |
137 |
6.5 |
7 |
× |
− |
|
B2-19 |
126 |
126 |
6.8 |
6.9 |
× |
− |
表 4.1.14 V溝試験片負荷速度 A1 SCM435 1000MPa
40mm/min
|
試験片 番号 |
最大荷重 N |
最終荷重 N |
最大たわみ mm |
最終たわみ mm |
浴内 破断 |
亀裂の有無 |
|
C1-3 |
129 |
82 |
21.5 |
60.9 |
○ |
− |
|
C1-4 |
133 |
82 |
21.8 |
61.4 |
○ |
− |
表 4.1.15 V溝試験片負荷速度 A2 SCM435 1000MPa
230mm/min
|
試験片 番号 |
最大荷重 N |
最終荷重 N |
最大たわみ mm |
最終たわみ mm |
浴内 破断 |
亀裂の有無 |
|
C2-3 |
143 |
92 |
22.4 |
61.8 |
○ |
− |
|
C2-4 |
126 |
78 |
23.3 |
61.3 |
○ |
− |
4.2
U溝、V溝付試験片実験結果
本文3.2、表3.2.4〜3.2.7に示した試験片を使用し、4点曲げ試験機で実験した結果を表とグラフに表したものが下記の表4.2.1〜4.2.4、 図4.2.1〜表4.2.5である。
図4.2.1はV溝試験片及びU溝試験片の大気中及び773K(500℃)の溶融亜鉛浴内での4点曲げ試験における応力−たわみ曲線の比較をである。図4.2.2は溶融亜鉛浴内における代表的なU溝試験片の荷重−t曲線の測定例であり、図4.2.3はV溝試験片の測定値である。図4.2.4は図4.2.2と図4.2.3に示した測定例を含め、それらの結果を整理し、溶融亜鉛浴内における初期負荷応力と破断時間の関係を示したものである。図4.2.5は大気中における初期負荷応力と破断時間の関係を示している。
表 4.2.1 U溝試験片 荷重−たわみ曲線(W-e曲線)
|
試験片記号 |
最大荷重、応力 |
最大荷重時変位mm |
最大変位mm |
破断変位mm |
破断 |
No. |
|
|
N |
MPa |
||||||
|
U-02 |
1635 |
2573 |
6.36 |
25.76 |
25.76 |
B |
26 |
|
U-03 |
1623 |
2849 |
4.86 |
25.66 |
25.66 |
B |
27 |
|
U-24 |
1736 |
3018 |
7.40 |
23.60 |
23.60 |
B |
53 |
|
(A) |
1629 |
2873 |
5.61 |
25.71 |
25.71 |
|
|
|
U-04 |
883 |
1650 |
1.54 |
3.30 |
1.84 |
B |
28 |
|
U-08 |
872 |
1601 |
1.28 |
4.50 |
1.70 |
B |
29 |
|
U-23 |
854 |
1580 |
1.34 |
3.58 |
1.58 |
B |
30 |
|
U-20 |
843 |
1467 |
3.24 |
4.80 |
3.72 |
B |
31 |
|
U-09 |
696 |
1533 |
1.36 |
3.68 |
1.48 |
B |
32 |
|
U-11 |
789 |
1380 |
1.34 |
3.76 |
1.56 |
B |
33 |
|
U-18 |
789 |
1448 |
1.28 |
4.50 |
1.64 |
B |
34 |
|
U-12 |
677 |
1316 |
1.12 |
3.72 |
1.42 |
B |
35 |
|
U-13 |
725 |
1232 |
1.82 |
1.90 |
1.90 |
B |
36 |
|
(B) |
786 |
1467 |
1.39 |
3.62 |
1.64 |
|
|
|
(B/A)% |
48.2 |
51.1 |
24.8 |
14.1 |
6.4 |
|
|
|
U0-14 |
578 |
1047 |
1.60 |
4.20 |
2.00 |
B |
37 |
|
U5-19 |
578 |
1081 |
1.00 |
5.60 |
1.40 |
B |
38 |
表 4.2.2 U溝試験片 荷重−時間曲線(W-t曲線)
|
試験片 記号 |
最大荷重、応力 |
最大荷重 N |
最大時間sec |
破断時間sec |
破断 |
送り速度 mm/sec |
No. |
|
|
N |
MPa |
|||||||
|
Ut-25 |
1015 |
1896 |
981 |
662.0 |
662.0 |
N |
0.05 |
57 |
|
Ut-26 |
1368 |
2867 |
1250 |
522.0 |
522.0 |
N |
0.05 |
58 |
|
Ut-27 |
1279 |
2633 |
1186 |
540.0 |
540.0 |
N |
0.05 |
59 |
|
Ut-28 |
1363 |
2738 |
1274 |
539.0 |
539.0 |
N |
0.05 |
60 |
|
Ut-16 |
745 |
1367 |
0 |
55.3 |
55.3 |
B |
0.10 |
39 |
|
Ut-21 |
677 |
1184 |
0 |
168.6 |
168.6 |
B |
0.10 |
40 |
|
Ut-15 |
613 |
1069 |
0 |
19.6 |
11.7 |
B |
0.10 |
41 |
|
Ut-17 |
603 |
1003 |
0 |
198.7 |
198.7 |
B |
0.10 |
42 |
|
Ut-06 |
539 |
1019 |
0 |
15.0 |
1.0 |
B |
0.05 |
43 |
|
Ut-07 |
529 |
977 |
0 |
241.6 |
241.6 |
B |
0.05 |
44 |
|
Ut-22 |
451 |
811 |
0 |
171.0 |
171.0 |
B |
0.05 |
45 |
|
Ut-05x |
407 |
740 |
211 |
476.0 |
476.0 |
N |
0.05 |
46 |
|
Ut-10 |
319 |
589 |
221 |
386.0 |
386.0 |
N |
0.05 |
47 |
表 4.2.3. V溝試験片 荷重−たわみ曲線(W-e曲線)
|
試験片記号 |
最大荷重、応力 |
最大荷重時変位mm |
最大変位mm |
破断変位mm |
破断 |
No. |
|
|
N |
MPa |
||||||
|
V-01 |
1638 |
2836 |
2.6 |
20.2 |
20.2 |
B |
1 |
|
V-30 |
1598 |
3179 |
1.94 |
19.8 |
19.8 |
B |
51 |
|
V-31 |
1672 |
3119 |
2.36 |
20.5 |
20.5 |
B |
52 |
|
(A) |
1636 |
3044 |
2.30 |
20.17 |
20.17 |
|
|
|
V-11 |
473 |
979 |
0.78 |
4.8 |
1.12 |
B |
2 |
|
V-16 |
471 |
994 |
0.72 |
4.36 |
1.12 |
B |
3 |
|
V-12x |
559 |
1203 |
0.98 |
4.9 |
1.26 |
B |
4 |
|
V-15 |
412 |
862 |
0.78 |
4.52 |
1.08 |
B |
5 |
|
(B) |
452 |
945 |
0.76 |
4.56 |
1.11 |
|
|
|
(B/A)% |
27.6 |
31.0 |
33.0 |
22.6 |
5.5 |
|
|
|
V0-20 |
745 |
1666 |
1.76 |
4.26 |
2.42 |
B |
6 |
|
V0-13 |
471 |
993 |
0.76 |
3.16 |
1.10 |
B |
7 |
|
V0-24 |
436 |
966 |
1.28 |
3.14 |
1.88 |
B |
8 |
|
|
551 |
1208 |
1.27 |
3.52 |
1.80 |
|
|
|
V5-04 |
476 |
1008 |
0.92 |
4.00 |
1.12 |
B |
9 |
|
V5-08 |
465 |
990 |
0.84 |
3.34 |
1.08 |
B |
10 |
|
V5-18 |
446 |
895 |
1.18 |
3.82 |
1.38 |
B |
11 |
|
|
462 |
964 |
0.98 |
3.72 |
1.19 |
|
|
表 4.2.4. V溝試験片 荷重−時間曲線(W-t曲線)
|
試験片 記号 |
最大荷重、応力 |
最大荷重 N |
最大時間sec |
破断時間sec |
破断 |
送り速度 mm/sec |
No. |
|
|
N |
MPa |
|||||||
|
Vt-29 |
1491 |
3146 |
1378 |
542.0 |
542.0 |
N |
0.05 |
54 |
|
Vt-32 |
1446 |
2932 |
177 |
576.0 |
576.0 |
N |
0.05 |
55 |
|
Vt-33 |
1039 |
2221 |
1000 |
532.0 |
532.0 |
N |
0.05 |
56 |
|
Vt-07 |
559 |
1172 |
0 |
18.2 |
18.2 |
B |
0.05 |
13 |
|
Vt-03 |
451 |
902 |
0 |
24.6 |
24.6 |
B |
0.05 |
14 |
|
Vt-19 |
427 |
916 |
0 |
22.8 |
22.8 |
B |
0.05 |
15 |
|
Vt-25 |
422 |
912 |
0 |
9.2 |
9.2 |
B |
0.05 |
16 |
|
Vt-10 |
407 |
854 |
0 |
196.0 |
196.0 |
B |
0.05 |
17 |
|
Vt-09 |
407 |
870 |
0 |
168.0 |
168.0 |
B |
0.05 |
18 |
|
Vt-12x |
402 |
876 |
0 |
222.4 |
222.4 |
B |
0.05 |
19 |
|
Vt-12x’ |
343 |
865 |
0 |
172.6 |
172.6 |
B |
0.05 |
20 |
|
Vt-14 |
343 |
722 |
186 |
405.4 |
405.4 |
N |
0.05 |
21 |
|
Vt-06 |
338 |
670 |
0 |
268.2 |
268.2 |
B |
0.05 |
22 |
|
Vt-17 |
319 |
636 |
0 |
304.0 |
304.0 |
B |
0.05 |
23 |
|
Vt-05 |
250 |
374 |
118 |
265.0 |
265.0 |
N |
0.10 |
24 |
|
Vt-23 |
132 |
285 |
64 |
386.0 |
386.0 |
N |
0.05 |
25 |
![]()
![]()

![]()
![]()



![]()

![]()
![]()
![]()
4.3 断面の観察結果
4.3.1 丸棒試験片の断面観察
4.3.1(a) き裂部破面及びき裂部組織の観察
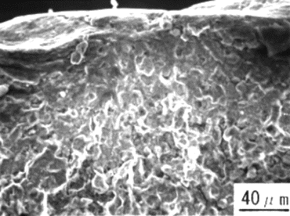
溶融亜鉛浴内で4点曲げ試験を行った試験片を、引張試験によって破断させ破面観察を行った。その結果、溶融亜鉛浴内での4点曲げ試験中に発生したき裂は、曲げ外側面に線軸に対して直角に発生しており、線表面に対して垂直に生じていた。また、写真4.3.1 に示すようにき裂は半円状の形をしており、試験片断面の中心に向かって放射状に進展していた。Rostokerらは10)適当な液体金属の存在下で固体金属が引張応力を受けるとしばしばぜい性的な破壊が観察され、多くの場合破壊は降伏点あるいは多少塑性変形した後に起こり、破壊面は巨視的には応力軸に垂直であると述べている。
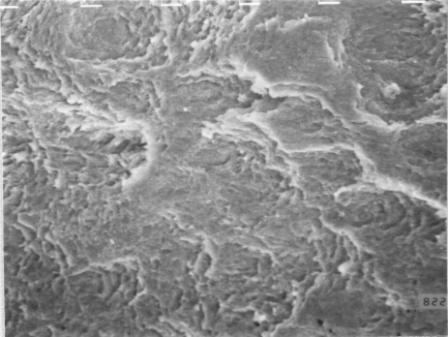
SEMにより破面を観察したところ、溶融亜鉛浴内での曲げ試験で発生したき裂部は、写真4.3.2 のように粒界割れ破面を生じており、EPMAにより亜鉛の面分析を行ったところき裂部には亜鉛が付着していた。一方、溶融亜鉛浴内で4点曲げ試験後の引張試験によって破断した部分はディンプルからなる延性破面をしており、亜鉛の付着はなかった。これらの結果は、ボルト試験片での冷却過程で発生したき裂の破面観察結果と一致していた。15)〜18)
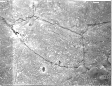
き裂部断面を光学顕微鏡及びEPMAで観察したところ、き裂部には表面の溶融亜鉛が流れ込んでおり、写真4.3.3のようにき裂内部を亜鉛が満たしていた。また、き裂内部に流れ込んだ亜鉛は、試験片表面のめっき層と同じFe-Zn合金層を形成していた。めっき浴浸漬後の冷却過程で発生したき裂の場合、き裂内部に流れ込んだ溶融亜鉛はFe-Zn合金層を形成せず亜鉛のままの状態で凝固していた。すなわち、き裂部の組織状態によってき裂発生時期を特定することができ、本試験片に発生したき裂は溶融亜鉛浴に浸漬中に発生したものであった。しかし、それらのき裂の破壊面は、巨視的には応力軸に垂直であり、ぜい性的な粒界割れであること、粒界割れからなるき裂部の先端まで亜鉛が侵入し付着していることなど、き裂の主要な特徴はまったく同じであった。

写真 4.3.1(a) 溶融亜鉛浴内での4点曲げ試験中に
発生したき裂断面

写真 4.3.1(b) 溶融亜鉛浴内での4点曲げ試験中に
発生したき裂断面

写真 4.3.2 き裂部の粒界割れ破面

写真 4.3.3 溶融亜鉛中での曲げ試験により
発生したき裂(試料B)
4.3.1(b) 溶融亜鉛ぜい化割れの発生過程及び進展状態の観察
丸棒試験片を使用した実験では、溶融亜鉛浴内で試験片に曲げ応力を徐々に加え、どの時点でき裂が発生するかどうかを引張強さや負荷速度または鋼種の違いによって比較した。本項では、試験片切断面の走査型電子顕微鏡による観察によって、き裂はどのような過程を経て発生するのか検討を行った。観察を行った試験片は、溶融亜鉛浴内4点曲げ試験において破断に至る前の任意のたわみで試験片への負荷を止めた中断法によって作成した試験片で、第3章3.2項で用いた試験片をそのまま使用した。
4.3.1(c) き裂発生過程の分類
き裂が発生するまでの過程は、試験片の種類によって程度に差はあるものの3段階に分類することができた。表4.3.1にその分類を示す。

表4.3.1 き裂発生過程の分類
![]()
![]()


4.3.2 溝付試験片の破断面観察
V溝試験片、U溝試験片の破断面観察は、本文第3章、図3.2.4〜3.2.7に示した大気中の曲げ試験によって得られた試験片、すなわち、溶融亜鉛浴内の荷重−たわみ曲線を測定するための試験で破断した試験片及び、溶融亜鉛浴内で荷重−t曲線を測定するための試験で破断した試験片を走査型電子顕微鏡で観察することによって行った。写真4.3.4(a),(b),(c)は、それらの代表的な破面写真である。
写真4.3.4(a) 破断面(大気中 荷重−たわみ曲線測定試験)

大気中の曲げ試験によって破断した試験片は、(a)に示すように全面がディンプルからなる延性破面であった。また、溶融亜鉛浴内の荷重−たわみ曲線を測定するための試験で破断した試験片と溶融亜鉛浴内で荷重−t曲線を測定するための試験で破断した試験片は全面が(b)、(c)に示すように溶融亜鉛ぜい化割れの特徴的な破面である粒界割れを生じていた。また、写真4.3.4の(b)と(c)は、破面に付着している亜鉛を希塩酸で除去した後観察した破面である。そのため、破面は亜鉛によって腐食を受けており、あまり明確な粒界割れをしていなかった。そこで、折損部付近の旧オーステナイト結晶粒界をGh法*)によって、現出し、き裂の進展経路を調べたところ、写真4.3.5に示すようにき裂は粒界を進展していることが確認された。

写真4.3.4(b) 破断面(溶融亜鉛浴内 荷重−たわみ曲線測定試験)

写真4.3.4(c) 破断面(溶融亜鉛浴内 荷重−t曲線測定試験)

図4.3.5 結晶粒界のき裂の進展
4.4 表面の観察結果
4.4.1 丸棒試験片表面の観察
溶融亜鉛浴内での4点曲げ試験の結果得られた前4.1節、図4.1.1〜4.1.7の荷重−たわみ線図にき裂発生過程の3段階を重ねて表示したものが、次の図4.4.1〜4.4.6である。実験においてこれらの試験片は破断に至る前の任意のたわみで試験片への負荷を止めた中断法によって作成された。
表面観察のために、希塩酸で全ての試験片の亜鉛を除去し、断面と同様にSEMを使用し観察した。
![]()
図4.4.2 溶融亜鉛浴内での荷重−たわみ曲線 第V段階 き裂発生から破断 A4試験片


第U段階 結晶粒界の選択的腐食 図4.4.3 溶融亜鉛浴内での荷重−たわみ曲線




図4.4.5 溶融亜鉛浴内での荷重−たわみ曲線
図4.4.6 溶融亜鉛浴内での荷重−たわみ曲線

図4.4.1〜4.4.6中の各き裂発生過程の試験片の代表的な写真を写真4.4.1〜4.4.3に示す。図4.4.7は丸棒試験片の観察部位を示したものである。
![]()
写真4.4.1(a),(b),(c)は、表4.1.4と図4.1.4に示した試験片A4−9の表面の状態を示している。この試験片は材質がSCM435で引張強さが700MPa、負荷速度40mm/minで実験した結果得られたものである。
(a)は、曲げ外側の状態を示すものであるが、ここでは鋼表面がほぼ一様に腐食を受けていることがわかる。しかし、粒界の腐食は見られない。(b), (c)は中間付近、内側の状態であるが、ここにも同様に全面の腐食がみられる。これはき裂発生過程の第I段階の領域に入っており、断面の観察結果と一致する。この範囲は負荷の開始からたわみが20mm程度になるまでの間であり、試験片が多少塑性変形生じた付近であった。
写真4.4.2(a),(b),(c)は、A4−12の試験片の観察結果である。(a)は試験片の外側であるが、ここには全面に粒界の腐食がみられる。溶融亜鉛浴内での試験片の曲げ試験における荷重−たわみ線図では、鋼が塑性変形を開始し、更に塑性変形が進行している領域であった。(b)の曲げ中間付近、(c)の曲げの内側では、曲げの外側で観察されたような粒界の選択的腐食はみられない。このことは、粒界の選択的腐食は塑性変形を生じ、かつ引張応力が作用している部分には発生するが、曲げの中間付近や、内側のように圧縮がかかる部分には発生しないことを示している。
写真4.4.3(a),(b),(c)は、A4−22の試験片の観察結果である。試験片外側表面の状態を示した(a)からは、粒界の選択的腐食は写真4.4.2(a)より、いっそう進み、結晶粒界の隙間が腐食によって大きくなっていることがわかりさらに、き裂は結晶粒界に沿って発生していることが観察できる
写真4.4.4は、き裂と粒界の選択的腐食の区別を明確に定義するため、Gh法により、オーステナイト結晶粒の粒度をしらべたものである。試験片の結晶粒の大きさと比較すると、結晶粒度は、試験片の結晶粒と一致していた。

写真4.4.1(c) A4−9試験片内側表面
写真4.4.2(a) A4−12試験片外側表面 写真4.4.2(b) A4−12試験片中間部表面

写真4.4.2(c) A4−12試験片内側表面


写真4.4.3(a) A4−22試験片外側表面 写真4.4.3(b) A4−22試験片中間部表面


写真4.4.3(c) A4−22試験片内側表面
写真4.4.4 試験片の結晶粒界(Gh法)

4.4.2 溝付試験片表面の観察
以下に溝付き試験片の代表的な写真を示す。写真4.4.5(a),(b),(c)はV溝試験片、V-20の観察結果であり、写真4.4.6(a),(b),(c)は、U溝試験片、U-12の観察結果である。これらの試験片は、大気中の曲げ試験によって破断した試験片、つまり、溶融亜鉛浴内の荷重−たわみ曲線を測定するための試験で破断した試験片である。
これらの写真は、溶融亜鉛浴内での破断した試験片のV溝、U溝試験片の断面から底部そして外側までの表面状態を、希塩酸で亜鉛を除去した後SEMで観察した写真である。写真4.4.5(a)と4.4.6(a),(b)は破断面の写真であるが、破断部付近にき裂の発生があり結晶粒界に沿って割れを生じている。写真4.4.5(b)と4.4.6(c)は、V溝、U溝試験片の溝底部における表面状態を示すが、破断部付近には結晶粒界に沿って生じた割れが存在する以外に、V溝底部付近の表面が亜鉛によって選択的に腐食を受け、鋼表面の結晶粒界に隙間ができているのが観察された。これは、前項4.3.1における溶融亜鉛ぜい化割れのき裂発生過程と進展状態の観察結果と一致するところがある。しかし、写真4.4.5(d)と4.4.6(d)が示すように、応力が低くなる表面近くになると粒界の選択的腐食は見ることができない。
荷重−t曲線の測定では、溶融亜鉛浴内での最大荷重より低い荷重に負荷した後、その状態で数秒間保持されるため、前項で述べたき裂発生過程の3段階の第U段階と第V段階が明確に現れていた。Vladimirov19)は、液体金属ぜい化の一つである液体ガリウムによるアルミニウムのぜい化に関する研究の中で、アルミニウム粒界へのガリウムの浸透は、拡散によるものではなく、粒界腐食によるものであるという見解を述べている。

![]()

写真4.4.5(a) V−20試験片破断面

写真4.4.5(b) V−20試験片V溝底部表面
![]()

写真4.4.5(c) V−20試験片中間部表面
![]()

写真4.4.5(d) V−20試験片外側表面
![]()
写真4.4.6(a) U−12試験片断面

写真4.4.6(b) U−12試験片破断面
![]()


写真4.4.6(c) U−12試験片溝底部表面
![]()

写真4.4.6(d) U−12試験片外側表面
![]()
*)JIS G0551に規定されている鋼のオーステナイト結晶粒度試験方法の熱処理粒度試験方法の一種で焼入焼戻し法をいう。この方法は径又は対辺距離10〜15mm、長さ10〜15mmの試験片を所定の焼入温度に所定時間保持し、適切な方法で完全に焼入れし、適正な温度で1時間以上焼戻しした後急冷する。冷却後試験片の表面を研磨仕上げし、硝酸アルコール溶液または塩化第二鉄1g、塩酸(比重1.18)1.5mlをエチルアルコール100mlに溶解して調整した腐食液で腐食し、粒度を顕微鏡で測定する。記号Ghで現す。